Drehrichtungsumkehr Gleichstrommotor Schaltung
Ein "vernünftiger" Gleichstrommotor hat mindestens 3 Windungspakete;.
Drehrichtungsumkehr gleichstrommotor schaltung. Gleichstrommotor RS550 SH 6V12V für elektrische Industrie bohrmaschinen Ersatz $1414 $14 shipping Stromstoßschalter Relais für Taster Schaltung DosenEinbau Bistabile BIS404 $2327 $4073 shipping $5819 shipping People who viewed this item also viewed Feedback on our suggestions People who viewed this item also. Da das ArduinoBoard nur sehr kleine Ströme pro DigitalOut zulässt, können so nur sehr kleine Motoren (zB Vibrationsmotoren aus Handys) gesteuert werden Um größere Motoren zu steuern gibt es eine Reihe von Optionen StepperMotoren Motortreiber 9 und StepperMotor NEMA17 Motorsteuerung. In einem bereits erfolgreich realisiertem Projekt steuere ich einen Gleichstrommotor via PWM Ich schalte den Motorstrom mit einem IRLZ34N Ich möchte diese Schaltung nun für ein neues Projekt erweitern Die Erweiterung ist eigentlich recht simpel Die Drehrichtung des Motors soll geändert werden können.
Die Schaltung ähnelt der des vorherigen Versuchs Es gibt ein paar Änderungen Es wurde eine Batterie als externe Versorgung für den Motor angeschlossen Der Pluspol der Batterie wird mit Pin 8 des Motortreibers verbunden Der Minuspol der Batterie wird mit GND am Arduino verbunden. Gelb–>Motor läuft mit einer Leistung von 25 %. Einfach ausgedrückt ist ein Elektromotor oder auch EMotor ein elektromechanischer Wandler, der aus elektrischer Leistung eine mechanische Leistung erzeugt Demzufolge verfügen Elektromotoren über einen Stromanschluss, an dem die elektrische Energie zugeführt wird Der mechanische Abtrieb, der im einfachsten Fall als Welle ausgeführt ist, dreht sich und dient als Antrieb für Maschinen.
Oben steht eine Schaltung mit Relais, darunter kommen aber noch mehrere Abhandlungen über TransistorHBrücken Ich hab mir die Seite schonmal weitestgehend durchgelesen und kann es nur empfehen, da dort ziemlich viele wichtige Infos drin stehen Danach sollte deine Frage eigentlich geklärt sein 2601. Die hier gezeigte Schaltung erlaubt direktes Umschalten Das bedeutet Ist Q1 (Linksbetrieb) eingeschaltet und man drückt S2, dann schaltet Q1 direkt aus und Q2 (Rechtsbetrieb) ein Der Motor würde also ohne anzuhalten direkt die Drehrichtung ändern. Fremderregter Gleichstrommotor einfach erklärt Bei einem fremderregten Gleichstrommotor handelt es sich um einen Gleichstrommotor dessen Anker und Erregerkreis jeweils von einer eigenen Spannungsquelle gespeist werden Merke Im Gegensatz zu Motoren die von nur einer Spannungsquelle versorgt werden,.
Wenn der Platz für ein Display oder mehrere LED’s nicht ausreicht, bietet sich die RGB Leuchte wirklich an Nehmen wir mal an, wir haben einen Gleichstrommotor in unserer Schaltung Bedeutung der Farben als Beispiel grün–>Motor kann gestartet werden;. Wwweatoncom wwwmoellernet Fachaufsatz Jörg Randermann Starten und steuern von DrehstromAsynchronmotoren VVERindd 1ERindd 1 Uhr Uhr. Grundlagen Elektromotoren und deren Schaltung Wicklungen benutzt werden und umgekehrt Bei Drehrichtungsumkehr werden auch hier zwei Phasen der Zuleitung vertauscht Wird ein Polumschalter verwendet, so empfiehlt es sich, den Phasentausch schon in der Zuleitung zum Schaltgerä t vorzunehmen, da bei Phasentausch am Motor 2 x 2 Lei.
Hallo, ich möchte einen Gleichstrommotor (Nennwerte 24V, 2,3A) , der eine Hubbewegung antreibt, in seiner Stromaufnahme begrenzen Bei großen Lasten, zieht der Antrieb bis zu 6A und zerstört dabei seine eigenen mechanischen Befestigungselemente Ich möchte nun, durch hinzufügen eines möglichst "einfachen elektronischen Bauteils", die Stromaufnahme auf max 4A begrenzen. Drehrichtungsumkehr Kondensatormotor Um die Drehrichtung dieses Motors zu ändern, muss die Stromrichtung innerhalb der Hilfswicklung umgekehrt werden Damit ist die Drehrichtung unabhängig davon, wie man diesen Wechselstrommotor in die Steckdose einsteckt. Drehrichtungsumkehr von Elektromotoren Bei näherer Betrachtung der obigen Schaltung kann zB festgestellt werden, dass wenn die rechte Brücke unverändert belassen wird, die Schaltung mittels eines Wendeschalters leicht durchzuführen ist (rechte Brücke muss permanent verbleiben !).
Ich zeige Euch hier, wie man im Gleichstromkreis mit einem Wippschalter sehr einfach eine Umpolung von Plus und MinusPol realisieren kann Verwenden kann ma. Koppelrelais für die Hutschiene verfügen üblicherweise über eine derartige Schutzdiode, bei Platinenrelais muss diese selbst der Schaltung hinzugefügt werden In der folgenden Beschreibung wird von einem 24V Gleichstrommotor ausgegangen Die Spannung ist natürlich variabel, die Wechselkontakte müssen im DCBereich dafür ausgelegt sein. Polumschaltbare Motoren Polumschaltbare Motoren mit einer Drehzahlübersetzung von 12 werden überwiegend in der sg Dahlanderschaltung ausgeführt (zB 1400/2800 oder 700/1400min1) Andere Übersetzungen werden normalerweise als zwei getrennte Wicklungen ausgeführt Während bei zwei getrennten Wicklungen der Anschluss recht einfach ist (die Spannung muss entweder an die drei Klemmen.
Sie berechnet sich ungefähr aus f=1/R*C Die Schaltung lässt sich leicht auf einem Steckbrett aufbauen EinfachstPWM mit NE555 Als Ausgangswerte nehme man 1 µF für den Kondensator und 10. Mit der Schaltung, wie im Bild, haben wir dem Motor die Spannung gegeben, für die er gewickelt wurde Die Steinmetzschaltung ist komplett Der Motor sollte laufen (eher lahmen, aber das hatten wir ja schon) Die Schaltung funktioniert aber nicht immer Es gibt nämlich etliche Motoren, die nur 3 Wicklungsausführungen zum Klemmbrett haben. Gleichstrommotor drehrichtung umkehren Ehe viele Generationen vergehen, werden unsere Ma schinen durch eine Kraft angetrieben werden, die an jedem Punkt des Universums verfügbar ist Das Wichtigste in KürzePraktisch alle Deckenventilatoren verfügen über einen Winterbetrieb, mit dem du im Heizkosten sparen kannst, weil er die warme Luft.
Mit der Schaltung, wie im Bild, haben wir dem Motor die Spannung gegeben, für die er gewickelt wurde Die Steinmetzschaltung ist komplett Der Motor sollte laufen (eher lahmen, aber das hatten wir ja schon) Die Schaltung funktioniert aber nicht immer Es gibt nämlich etliche Motoren, die nur 3 Wicklungsausführungen zum Klemmbrett haben. Gleichstrommotor und Massenscheibe einzeln betrachtet 311 Leistungsverstärker Die am Ausgang des Reglers zur erfüVgung stehende elektrische Leistung reicht nicht aus, um den Gleichstrommotor zu betreiben Der deshalb eingesetzte Leistungsverstärker verstärkt die 3. Die einfachste Schaltung besteht nur aus Transistor T1, dem Motor, der Freilaufdiode D1, dem Kondensator C1, sowie der eigentlichen PWMErzeugung und dem Mosfettreiber In der Einschaltphase von T1 liegt am Motor die gesamte Betriebsspannung an Die Differenz zwischen der vom sich drehenden Motor erzeugten Generatorspannung und der Betriebsspannung fällt am Wicklungswiderstand sowie der.
Eine Schaltung wie diese, die Öffner kannst du weglassen, die Halten den Motor beim abschalten schneller an Drehrichtungsumkehr Gleichstrommotor Von settelma im Forum Elektronik Antworten 5 Letzter Beitrag , 1141 Kraftregelung Gleichstrommotor. Drehrichtungsumkehr Um die Drehrichtung eines Gleichstrommotors umzukehren, muß die Richtung des Erregerfeldes oder des Ankerstroms geändert werden Dabei müssen bei Richtungsänderung des Feldes bei Doppelschlußmotoren beide Erregerwicklungen umgeklemmt werden Die Gleichung gilt unabhängig von der Schaltung der Erregerwicklung für. Schaltung bei einer Erregung in Serie Ankerkreis Kennlinie der Hauptschlussmaschine Dieser Antrieb ist ideal für die Traktion, er kann in dieser Schaltung aber nicht als Generator betrieben werden Compoundschluss oder Doppelschluss Kombination von Fremd und Hauptschluss, wird kaum noch eingesetzt.
Drehrichtungsumkehr Um die Drehrichtung eines Gleichstrommotors umzukehren, muß die Richtung des Erregerfeldes oder des Ankerstroms geändert werden Dabei müssen bei Richtungsänderung des Feldes bei Doppelschlußmotoren beide Erregerwicklungen umgeklemmt werden Die Gleichung gilt unabhängig von der Schaltung der Erregerwicklung für. Schaltung eines Gleichstrommotors Schwierigkeitsgrad mittelschwere Aufgabe Wenn der Schalter S geschlossen ist, wird die Diode zum Gleichstrommotor parallel geschaltet Ist der linke Pol der elektrischen Quelle gerade der Minuspol, so sperrt die Diode und der Strom fließt ausschließlich durch den Motor. Einfach ausgedrückt ist ein Elektromotor oder auch EMotor ein elektromechanischer Wandler, der aus elektrischer Leistung eine mechanische Leistung erzeugt Demzufolge verfügen Elektromotoren über einen Stromanschluss, an dem die elektrische Energie zugeführt wird Der mechanische Abtrieb, der im einfachsten Fall als Welle ausgeführt ist, dreht sich und dient als Antrieb für Maschinen.
Gleichstrommotor mit Raspberry Pi steuern Ein Relais versorgt den Motor mit Spannung, das zweite sorgt für Drehrichtungsumkehr Nachfolgend das passende Programm für diese Aufgabe Nachfolgend eine mögliche elektrische Schaltung für die Aufgabe Die Ausgänge Raspberry Pi liefern lediglich 3,3V und sind nicht stark belastbar. Im Wesentlichen sind der bürstenlose Gleichstrommotor (BLDC, BrushLess Direct Current) und die permanenterregte Synchronmaschine (DrehstromSynchronmotor) im Aufbau gleich Es gibt 2 verschiedene Bauformen Außenläufer (Outrunner) Innenläufer (Inrunner) Gemeinsam ist beiden Bauarten, dass der Rotor aus Permanentmagneten (Dauermagneten) besteht. Die Schaltung links wird als HBrücke bezeichnet Meistens werden Gleichstrommotoren mit einer solchen HBrücke gesteuert Schließt man die beiden Schalter A1 und , dreht sich der Motor (Der Kreis mit dem M in der mitte) in die eine Richtung, schließt man hingegen B1 und B2, dreht er sich in die andere Richtung.
Gleichstrommotor Drehrichtungsumschaltung Polwechsel Schaltung Im Gleichstromkreis Drehrichtung ändern Umkehren Beim Gleichstrom Motor Drehrichtungsumkehr Motor Teil 3 Garagentorsteuerung Untitled Motor Endschalter Drehrichtungsänderung Eines E Motors Mit Hilfe Von. Elektrische Maschinen Der Gleichstrommotor 3 9 Sie sollen für eine Kreiselpumpe und für eine Kolbenpumpe den jew richtigen Hauptschluss oder (in der nächsten Stunde zu behandelnden) Drehstrommotor auswählen a) Ordnen Sie den folgenden vier skizzierten MnDiagrammen die jew charakterisierte Maschine zu. Hallo ZusammenVielleicht kann mir jemand helfen Ich möchte mit der Logo8 eine Futterklappe Steuern mit einer Gewindespindel die rechts und links drehen soll Der Motor steht immer still wenn die Drehrichtung geändert wird Als Beispiel die.
Sie berechnet sich ungefähr aus f=1/R*C Die Schaltung lässt sich leicht auf einem Steckbrett aufbauen EinfachstPWM mit NE555 Als Ausgangswerte nehme man 1 µF für den Kondensator und 10. Bestellnummer Stefan Manemann, Jochen Rengstorf Automatisierungstechnik, Betriebstechnik, Mechatronik Projekte für den Lernfeldunterricht. Oben steht eine Schaltung mit Relais, darunter kommen aber noch mehrere Abhandlungen über TransistorHBrücken Ich hab mir die Seite schonmal weitestgehend durchgelesen und kann es nur empfehen, da dort ziemlich viele wichtige Infos drin stehen Danach sollte deine Frage eigentlich geklärt sein 2601.
Motoren mit einer Drehzahlübersetzung von 12 werden häufig in der Dahlanderschaltung ausgeführt (zB 1400/2800 oder 700/1400) Andere Übersetzungen werden normalerweise als zwei getrennte Wicklungen ausgeführt Es gibt verschiedene arten der Dahlanderschaltung es kann die Drehzahl und auch die Drehrichtung geändert werden. Wenn der Platz für ein Display oder mehrere LED’s nicht ausreicht, bietet sich die RGB Leuchte wirklich an Nehmen wir mal an, wir haben einen Gleichstrommotor in unserer Schaltung Bedeutung der Farben als Beispiel grün–>Motor kann gestartet werden;. Die Schaltung links wird als HBrücke bezeichnet Meistens werden Gleichstrommotoren mit einer solchen HBrücke gesteuert Schließt man die beiden Schalter A1 und , dreht sich der Motor (Der Kreis mit dem M in der mitte) in die eine Richtung Drehrichtung ändern 230v motor 1pol 230v haupt Elektrische Maschinen Der Gleichstrommotor 3 9.
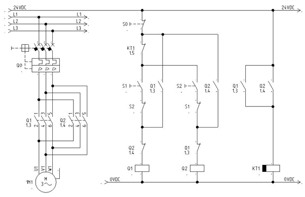
AC motor controllers (4);. Eine berechtigte Frage, schließlich enthält die Schaltung keinerlei Vorrichtungen für eine Geschwindigkeitsregulierung des Motors Diese wird bei einem Gleichstrommotor in der Regel durch die Spannung geregelt Eine geringe Motorspannung bewirkt eine langsame Drehzahl, steigert man die Spannung, läuft der Motor entsprechend schneller. Meine Schaltung Drehrichtungsumkehr eines Drehmotors mit Wendeschützschaltung Beim Betätigen des Tasters S1 zieht der Schütz Q1 an Sein ÖffnerKontakt unterbricht den Steuerkreis von Q2.
Gelb–>Motor läuft mit einer Leistung von 25 %. Für verschiedene Anwendungsgebiete ist es manchmal sinnvoll, einen Gleichstrommotor in seiner Drehzahl einstellen zu können Für den Einsatz mit Gleichstrommotoren, welche für die unterschiedlichsten Gebiete eingesetzt werden können, empfiehlt sich zum Selbstbau eine möglichst einfache Schaltung. 7 SternDreieck Schaltung mit Wendeschützschaltung 4 Schütze, 3 Taster, 1 Motor Auf den ersten Blick ist diese Schaltung etwas unübersichtlich Um sie zu verstehen, müssen erst einmal die Funktion der Schütze und Taster genannt werden Q1 Schütz Rechtslauf, Q2 Schütz Linkslauf, Q3 Schütz Dreieck, Q4 Schütz Stern.
Gleichstrommotor Drehrichtungsumschaltung Polwechsel Schaltung Im Gleichstromkreis Drehrichtung ändern Umkehren Beim Gleichstrom Motor Drehrichtungsumkehr Motor Teil 3 Garagentorsteuerung Untitled Motor Endschalter Drehrichtungsänderung Eines E Motors Mit Hilfe Von. Grundlagen Elektromotoren und deren Schaltung Wicklungen benutzt werden und umgekehrt Bei Drehrichtungsumkehr werden auch hier zwei Phasen der Zuleitung vertauscht Wird ein Polumschalter verwendet, so empfiehlt es sich, den Phasentausch schon in der Zuleitung zum Schaltgerä t vorzunehmen, da bei Phasentausch am Motor 2 x 2 Lei. Der bürstenlose Gleichstrommotor (englisch Brushless DC Motor, abgekürzt BLDC oder BLMotor sowie auch electronically commutated Motor, kurz ECMotor) basiert entgegen der Namensgebung nicht auf dem Funktionsprinzip der Gleichstrommaschine, sondern ist aufgebaut wie eine DrehstromSynchronmaschine mit Erregung durch PermanentmagneteDie (oft dreisträngige) Drehstromwicklung wird durch eine.
Hallo ZusammenVielleicht kann mir jemand helfen Ich möchte mit der Logo8 eine Futterklappe Steuern mit einer Gewindespindel die rechts und links drehen soll Der Motor steht immer still wenn die Drehrichtung geändert wird Als Beispiel die. Gleichstrommotor und Steuerschaltungen 1 drmassekde > Downloads > ETAusbildung > BasicSchool > Krasnojarsk 1 Aufbau des Gleichstrommotors Erregerfeld Ankerfeld Schaltung des Gleichstrommotors Erregerstrom I E ist konstant, da U N direkt an Erregerwicklung anliegt. Die WendeSchützschaltung ist eine SchützSchaltung, mit der sich die Drehrichtung eines Drehstrommotors ändern lässt Damit bei einem Drehstrommotor die Drehrichtung geändert werden kann, müssen zwei Außenleiter vertauscht werden Das manuelle Vertauschen der Außenleiter ist sehr zeitaufwändig und kann nur bei abgeschaltetem Motor erfolgen Für diese Zwecke wird die Wende.
Brushless DC motor controllers (17);. Das Video zeigt, wie man die Drehrichtung eines Gleichstrommotors mit einem Schalter umkehren und mit 2 Leuchtdioden anzeigen kann Herzlich willkommen au. Du brauchst eine Schaltung mit zwei Relais die sich wechselseitg sperren Wenn DrehrichtungsRelais recht eingeschaltet ist, dann darf DrehrichtungsRelais links nicht schalten Dann brauchst DU noch ein RCGlied das die DrehrichtungsRelais erst frei gibt, wenn der Motor steht Geht auch mit Sensor.
Schaltung eines Gleichstrommotors Schwierigkeitsgrad mittelschwere Aufgabe Wenn der Schalter S geschlossen ist, wird die Diode zum Gleichstrommotor parallel geschaltet Ist der linke Pol der elektrischen Quelle gerade der Minuspol, so sperrt die Diode und der Strom fließt ausschließlich durch den Motor. Gleichstrommotor I AWZM6 DrIng habil Jörg Wollnack Wendepole Sind Hilfspole, die dafür sorgen, dass bei der Kommutierung keine zu hohen Induktionsspannungen auftreten, welche zu einem Funkenschlag bzw dem sogenannten Bürsten. Elektrisch erregter Gleichstrommotor Obwohl die Wicklung des Stators nicht mit einer Spannungsquelle verbunden ist, dreht sich der Motor entgegen dem Uhrzeigersinn Ursache ist die Tatsache, dass das Eisen des Stators mit dem Magnetfeld des Rotors wechselwirkt (siehe Energie von Magnetfeldern ).
Einphasen und DreiphasenWechselstromTransformatoren (Einphasen und DrehstromTransformatoren) 61 Aufbau, Schaltung, Betriebseigenschaften 125 611 Aufbau 125 612 Schaltung 126 613 Betriebseigenschaften 127 614 Übersetzungsverhältnis 127 615 Leerlauf des Transformators 128 616 Belastung des Transformators 128 617 Leistung des. Der 3polige Schalter ist erforderlich, um die Hilfswicklung spannungsfrei zu schalten Wenn ein Hauptschalter vorgeschaltet ist, kommt man mit einem 2poligen Umschalter aus. Drehrichtungsumkehr Dazu reicht es, 2 der 3 Motorleitungen zu vertauschen Bei sensorlosen Systemen funktioniert das auf jeden Fall, bei Systemen mit Sensor können HallSensoren und Regler einen Strich durch die Rechnung machen.
Wwweatoncom wwwmoellernet Fachaufsatz Jörg Randermann Starten und steuern von DrehstromAsynchronmotoren VVERindd 1ERindd 1 Uhr Uhr. Die hier gezeigte Schaltung erlaubt direktes Umschalten Das bedeutet Ist Q1 (Linksbetrieb) eingeschaltet und man drückt S2, dann schaltet Q1 direkt aus und Q2 (Rechtsbetrieb) ein Der Motor würde also ohne anzuhalten direkt die Drehrichtung ändern. Koppelrelais für die Hutschiene verfügen üblicherweise über eine derartige Schutzdiode, bei Platinenrelais muss diese selbst der Schaltung hinzugefügt werden In der folgenden Beschreibung wird von einem 24V Gleichstrommotor ausgegangen Die Spannung ist natürlich variabel, die Wechselkontakte müssen im DCBereich dafür ausgelegt sein.
Meine Schaltung Drehrichtungsumkehr eines Drehmotors mit Wendeschützschaltung Beim Betätigen des Tasters S1 zieht der Schütz Q1 an Sein ÖffnerKontakt unterbricht den Steuerkreis von Q2. Der Motor wird also zuerst mit der Stern Schaltung gestartet, durch diese Massnahme ist der Anlaufstrom nur etwa 30% so hoch, wie beim Start einer Dreieck Schaltung Ist der Motor nun mit der Stern Schaltung angelaufen, wird direkt auf die Dreieck Schaltung umgeschaltet Man kann sich das wie bei einer Fahrradschaltung vorstellen Angefahren. Je mehr Windungspakete der Rotor hat, je weniger pulsiert das Drehmoment, je ruhiger wird der Motorlauf Zur Erhöhung der Laufruhe trägt weiterhin eine "Nutschrägung" bei, sie führt dazu, daß das Windungspaket nicht schlagartig auf voller Breite den Stator erreicht.

Dc Motor Drehrichtung Andern Schaltung Rc Network De

Emotor Mussen Die Brucken Immer Gesetzt Werden Oder Gibt Es Ausnahmen Motor

Schaltungswettbewerb 13
Drehrichtungsumkehr Gleichstrommotor Schaltung のギャラリー

Erklarung Der Wendeschutzschaltung
Die Rader Zum Drehen Bringen Dauermagnet Gleichstrommotoren Mit Einem Mikrocontroller Verbinden

Umpolung Eines Gleichstromotors Duch H Brucke Elektronik Motor Schaltung

Wechselstrommotor Drehrichtung Andern Mit Wendeschalter

Drehrichtungsumkehr Motor Mit Taster Und 2 Wechselrelais Mikrocontroller Net

Motorsteuerung Mit Einem Transistor Arduino Tutorial

Dc Motoren Steuern Make Magazin Heise Magazine

Der Universalmotor Motoransteuerung

Roboternetz

Ansteuerung Von Dc Motor Mit 2 Tastern Stummis Modellbahnforum
Elektromotor Drehrichtung Andern Computerbase Forum

Stern Dreieck Schaltung Erklart Schutzschaltungen

Getriebemotoren Ansteuerung Rn Wissen De

Wendeschutzschaltung

Dc Motoren Steuern Make Magazin Heise Magazine
Motorsteuerung Mit Polumkehr Und 2 Endschaltern

Polwechsel Schaltung Im Gleichstromkreis Drehrichtung Andern Umkehren Beim Gleichstrom Motor Youtube
Q Tbn And9gcq 0bhqzwitiatiwtjdxlmn2pytldzuprn59hijbyitpznbxay Usqp Cau

Mit 2 Relais Vorwarts Ruckwarts Motor Drehrichtung Mikrocontroller Net

Freilaufdiode Am Motor Bei Drehrichtungsumkehr Mikrocontroller Net

Dahlanderschaltung
Richtungswechsel Am Motor 2 Arduino Basics Com

Betriebsstorungen An Motor Und Bremse

Wendeschutzschaltung Vereinfacht Youtube

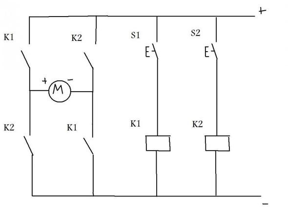
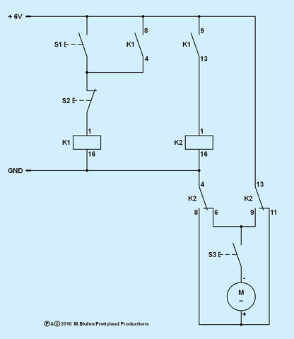
Gleichstrommotor Drehrichtungsumkehr Mikrocontroller Net
Home Zhaw Ch Weie Ek1 Laboruebungen H Bruecke Pdf

Motor Umpolrelais Schaltung

Drehrichtung Elektromotor Begriffserklarung Youtube
Drehrichtungsumkehr Motor

Getriebemotoren Ansteuerung Rn Wissen De
Kondensatormotor Wikipedia

Wendeschutzschaltung
Home Zhaw Ch Weie Ek1 Laboruebungen H Bruecke Pdf

Wendeschutzschaltung Aufbau Und Funktion Elektrikerwissen De

Gleichstrommotor Drehrichtungsumschaltung Youtube

Elektronik Motorsteuerung Mit H Brucke
Www Voltimum Ch Sites Www Voltimum Ch Files Pdflibrary Die Gaengigsten Schuetzschaltungen Alle Informationen Auf Einen Blick Pdf

Wendepolschaltung Fur Einen Gleichstrom Scheibenwischermotor Elektronik Schaltungen Allgemein Die Technikfans Community

Bauanleitungen 02 Motor Drehrichtungs Umschaltung Youtube
Elektromotoren Aufbau Funktionsweise Und Arten Einfach Erklart
Motorsteuerung Mit Polumkehr Und 2 Endschaltern

Dc Motoren Steuern Make Magazin Heise Magazine

Pneumatik Motor

Wendeschutzschaltung Aufbau Und Funktion Elektrikerwissen De
H Brucke Die Andersherum Schaltung

Sps Forum Automatisierung Und Elektrotechnik

Wendeschutzschaltung

Awt Curriculum Steuern Und Regeln Velleman Usb

Einen Gleichstrommotor Mir Einer H Brucke Steuern Let S Rule The Bots

Steuern Dc Motor Learnchannel Tv Com

Relais Anschlussfrage Elektrotechnik Projekt Solar

Motoren Und Antriebe Make Magazin Heise Magazine

Ultra Switch Ii Als Motor Umpolschalter Rc Schalter Microcharge Forum

Wendeschutzschaltung

Schaltung Zur Umkehr Der Motordrehrichtung Schaltungen Und Bauelemente Schiffsmodell Net

Gleichstrommotor Mit Raspberry Pi

Wechselstrommotor Drehrichtung Andern Mit Wendeschalter

Mit 2 Relais Vorwarts Ruckwarts Mikrocontroller Net

Hilfe Fur Schaltung Mit Gleichstrommotor Huhnerklappe Mikrocontroller Net
Der Strippenstrolch Wendeschutzschaltung

Wendeschutzschaltung

Wendeschutzschaltung
H Brucke Die Andersherum Schaltung
Motor Drehrichtung Uber Zeitschaltuhr Wechseln Mikrocontroller Net

Wechselstrommotor Learnchannel Tv Com

Dahlanderschaltung

Elektronik Motorsteuerung Mit H Brucke
Wende Schutzschaltung Wikipedia

Drehrichtungsumkehr Von Elektromotoren

Wechselstrommotor Drehrichtung Andern Mit Wendeschalter

Erste Bewegung Mit Dem Arduino Technikgarage

Wechselstrommotor Drehrichtung Andern Mit Wendeschalter

Dc Motoren Steuern Make Magazin Heise Magazine

Polwechsel Schaltung Im Gleichstromkreis Drehrichtung Andern Umkehren Beim Gleichstrom Motor Youtube Rom Motor Wippschalter

Arduino Mit Gleichstrommotor
H Brucke Die Andersherum Schaltung

Getriebemotoren Ansteuerung Rn Wissen De

Dc Motoren Steuern Make Magazin Heise Magazine

Dc Motoren Steuern Make Magazin Heise Magazine

Motor Drehrichtung Umkehren Steuerung Zeitrelais Mikrocontroller Net

Pneumatik Motor
Ei Uni Paderborn De Fileadmin Elektrotechnik Fg Lea Lehre Laborpraktikum Dokumente Gleichstrommaschine Pdf

Dc Motoren Steuern Make Magazin Heise Magazine

Wendeschutzschaltung Aufbau Und Funktion Elektrikerwissen De

Dc Motoren Steuern Make Magazin Heise Magazine

Drehrichtungsumkehr Von Elektromotoren
1phasiger Motor Richtung Wechseln Und Drehzahl Andern

Elektromotoren Aufbau Funktionsweise Und Arten Einfach Erklart

Drehrichtungsanderung Eines E Motor S Mit Hilfe Von Endschaltern Techniker Forum

Motor Umpolrelais Schaltung
Gleichstrommaschine Wikipedia

Wendeschutzschaltung

Drehrichtungsumkehr Von Elektromotoren

Der Strippenstrolch Polwender 2
Motor Drehrichtung Andern

Mit 2 Relais Vorwarts Ruckwarts Mikrocontroller Net
Gleichstrommaschine Wikipedia

Gleichstrommotor Drehrichtungsumkehr Mikrocontroller Net



